Popis
Popis
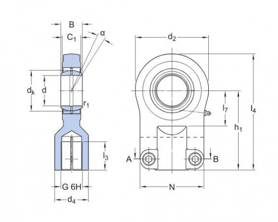
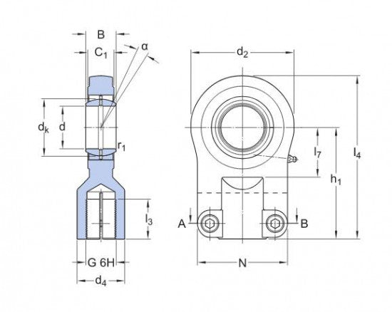
SKF SIJ 50 ES kĺbová hlava
Parametry
Parametry
Priemer D (mm):
122
Priemer D (mm):
192,5
Značenie:
SIJ 50 ES
