Popis
Popis
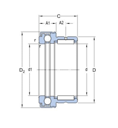
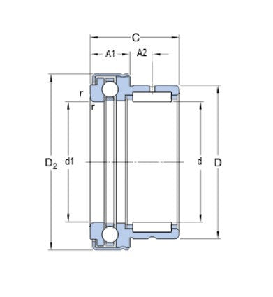
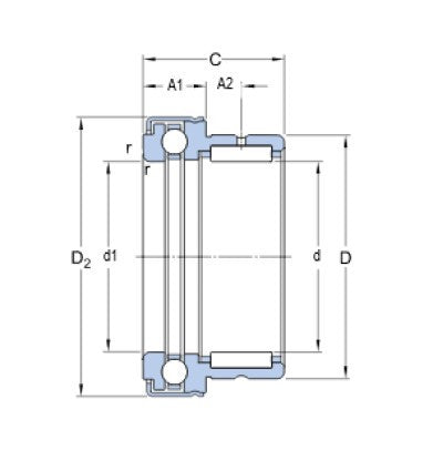
NKX 10 ZTN SKF Kombinované jehlové ložisko
Parametry
Parametry
Priemer D (mm):
25,2
Typ:
kombinované ihlové ložisko
Značenie:
NKX 10 ZTN
