Popis
Popis
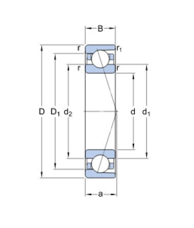
7218 CDGA/P4A SKF Guľičkové ložisko s kosoúhlým stykom
Parametry
Parametry
Priemer D (mm):
90
Priemer D (mm):
160
Šírka A (mm):
31,9
Šírka B (mm):
30
Uhol (°):
15°
Značenie:
7218 CDGA/P4A
