Popis
Popis
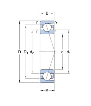
SKF 7018 ACDGA/P4A - presné nerozoberateľné jednoradové valčekové ložisko s kosoúhlým stykom, so styčným uhlom 25°, ľahká kĺzačka z fenolovej živice zosilnenej textilnou látkou, vedené osadením vonkajšieho kruhu, univerzálne párovanie s ľahkým predpätím. Ložisko môže prenášať axiálne zaťaženie len v jednom smere, preto je zvyčajne nastavené voči druhému ložisku. Vnútorná vôľa jednoriadkových valčekových ložísk s kosoúhlým stykom je dosiahnutá až po montáži a závisí od nastavenia axiálnej polohy voči druhému ložisku, ktoré zabezpečuje axiálne vedenie v opačnom smere. Ložiská pre univerzálne párovanie sú montované po dvojiciach a sú vyrobené tak, aby pri zostavení pre axiálne zaťaženie v jednom smere, t.j. do tandemu, alebo pre axiálne zaťaženie v oboch smeroch, t.j. chrbtom k sebe do "O" alebo čelom k sebe do "X", bolo dosiahnuté vopred určené vnútorné voľné alebo predpätie, alebo rovnomerné rozloženie zaťaženia bez použitia vyrovnávacích podložiek.
Parametry
Parametry
Presnosť:
P4
Priemer D (mm):
90
Priemer D (mm):
140
Šírka A (mm):
39
Šírka B (mm):
24
Uhol (°):
25°
Značenie:
7018 ACDGA/P4A
