Popis
Popis
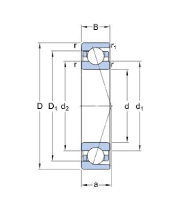
7016 CDGA/P4A SKF Guľôčkové ložisko s kosoúhlym stykom
Parametry
Parametry
Presnosť:
P4
Priemer D (mm):
80
Priemer D (mm):
125
Šírka A (mm):
24,8
Šírka B (mm):
22
Typ:
vretienové ložisko
Uhol (°):
15°
Značenie:
7016 CDGA/P4A
