Popis
Popis
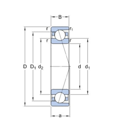
SKF 7016 ACDGA/P4A - presné nerozoberateľné jednoradové valčekové ložisko s kužeľovým stykom, so styčným uhlom 25°, ľahká klec z fenolovej živice zosilnenej textilnou tkaninou, vedenie vnútornej a vonkajšej kružnice, univerzálne párovanie s ľahkým predpätím. Ložisko môže prenášať axiálne zaťaženie len v jednom smere, preto je zvyčajne nastavené proti druhému ložisku. Vnútorná voľnosť jednořadových valčekových ložísk s kužeľovým stykom je dosiahnutá až po montáži a závisí od nastavenia axiálnej polohy voči druhému ložisku, ktoré zabezpečuje axiálne vedenie v opačnom smere. Ložiská pre univerzálne párovanie sú montované po dvojiciach a sú vyrábané tak, aby pri zostavení pre axiálne zaťaženie v jednom smere, teda do tandemu, alebo pre axiálne zaťaženie v oboch smeroch, teda chrbtom k sebe do "O" alebo čelom k sebe do "X", bolo dosiahnuté vopred určené vnútorné voľnosť či predpätie alebo rovnomerné rozloženie zaťaženia bez použitia vyrovnávacích podložiek.
Parametry
Parametry
Presnosť:
P4
Priemer D (mm):
80
Priemer D (mm):
125
Šírka A (mm):
35
Šírka B (mm):
22
Typ:
vretienové ložisko
Uhol (°):
25°
Značenie:
7016 ACDGA/P4A
