Popis
Popis
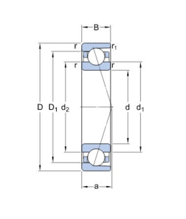
SKF 7004 CDGA/P4A - presné nerozoberateľné jednoradové guľkové ložisko s kosoúhlým stykom, so styčným uhlom 15°, ľahká vložka z fenolickej živice zosilnenej textilnou tkaninou, vedené osadením vonkajšieho kruhu, univerzálne párovatelné s ľahkým predpätím.
Ložisko môže prenášať axiálne zaťaženie len v jednom smere, preto je zvyčajne nastavené voči druhému ložisku.
Vnútorná vôľa jednořadových guľkových ložísk s kosoúhlým stykom je dosiahnutá až po montáži a závisí od nastavenia axiálnej polohy voči druhému ložisku, ktoré zabezpečuje axiálne vedenie v opačnom smere.
Ložiská pre univerzálne párovanie sú montované po dvojiciach a sú vyrábané tak, aby pri zostavení pre axiálne zaťaženie v jednom smere, t.j. do tandemu, alebo pre axiálne zaťaženie v oboch smeroch, t.j. chrbtom k sebe do "O" alebo čelom k sebe do "X", bolo dosiahnuté predom určené vnútorné voľné alebo predpätie, alebo rovnomerné rozloženie zaťaženia bez použitia vyrovnávacích podložiek.
Parametry
Parametry
Priemer D (mm):
42
Šírka A (mm):
10,2
Šírka B (mm):
12
Teplota maximálna °C:
+100
Typ:
vretienové ložisko
Uhol (°):
15°
Značenie:
7004 CDGA/P4A
