Váš nejspolehlivější B2B dodavatel na trhu!

SKF  |  SKU: L.7211 CDGB P4A SKF -- 7211 CDGB/P4A

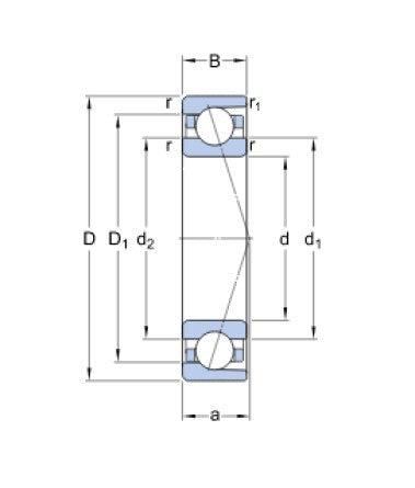
SKF 7211 CDGB/P4A ložisko


Varianta
€307,33
Včetně daně Doprava vypočtena při pokladně.

Popis

SKF 7211 CDGB/P4A - přesné nerozebíratelné jednořadé kuličkové ložisko s kosoúhlým stykem, se stykovým úhlem 15°, lehkou klecí z fenolické pryskyřice zesílené textilní tkaninou vedenou osazením vnějšího kroužku, univerzálně párovatelné se středním předpětím. Ložisko může přenášet axiální zatížení jen v jednom směru, proto je obvykle nastaveno proti druhému ložisku. Vnitřní vůle jednořadých kuličkových ložisek s kosoúhlým stykem je dosažena až po montáži a závisí na nastavení axiální polohy vůči druhému ložisku, které zajišťuje axiální vedení v opačném směru. Ložiska pro univerzální párování jsou montována po dvojicích a jsou vyráběna tak, aby při sestavení pro axiální zatížení v jednom směru tj. do tandemu, nebo pro axiální zatížení v obou směrech tj. zády k sobě do \O\" nebo čely k sobě do \""X\"" bylo dosaženo předem určené vnitřní vůle či předpětí anebo rovnoměrného rozložení zatížení bez použití vyrovnávacích podložek."""

Parametry

Průměr D (mm):

55

Průměr D (mm):

100

Šířka A (mm):

21

Šířka B (mm):

21

Typ:

kuličkové ložisko s kosoúhlým stykem

Úhel ( ° ):

15°

Značení:

7211 CDGB/P4A

DOTAZ PRODEJCI

SKF

SKF 7211 CDGB/P4A ložisko

€307,33

Varianta

  • Výchozí varianta
Zobrazit produkt