Váš nejspolehlivější B2B dodavatel na trhu!

SKF  |  SKU: L.7020 ACDGA P4 SKF -- 7020 ACDGA/P4A

SKF 7020 ACDGA/P4A vřetenové ložisko


Varianta
€442,48
Včetně daně Doprava vypočtena při pokladně.

Popis

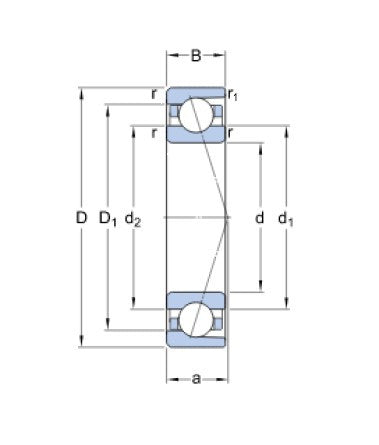
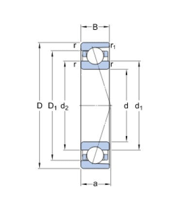
SKF 7020 ACDGA/P4A - přesné nerozebíratelné jednořadé kuličkové ložisko s kosoúhlým stykem, se stykovým úhlem 25°, lehkou klecí z fenolické pryskyřice zesílené textilní tkaninou vedenou osazením vnějšího kroužku, univerzálně párovatelné s lehkým předpětím. Ložisko může přenášet axiální zatížení jen v jednom směru, proto je obvykle nastaveno proti druhému ložisku. Vnitřní vůle jednořadých kuličkových ložisek s kosoúhlým stykem je dosažena až po montáži a závisí na nastavení axiální polohy vůči druhému ložisku, které zajišťuje axiální vedení v opačném směru. Ložiska pro univerzální párování jsou montována po dvojicích a jsou vyráběna tak, aby při sestavení pro axiální zatížení v jednom směru tj. do tandemu, nebo pro axiální zatížení v obou směrech tj. zády k sobě do \O\" nebo čely k sobě do \""X\"" bylo dosaženo předem určené vnitřní vůle či předpětí anebo rovnoměrného rozložení zatížení bez použití vyrovnávacích podložek."""

Parametry

Průměr D (mm):

100

Průměr D (mm):

150

Šířka A (mm):

41,3

Šířka B (mm):

24

Úhel ( ° ):

25°

Značení:

7020 ACDGA/P4A

DOTAZ PRODEJCI

SKF

SKF 7020 ACDGA/P4A vřetenové ložisko

€442,48

Varianta

  • Výchozí varianta
Zobrazit produkt