Váš nejspolehlivější B2B dodavatel na trhu!

SKF  |  SKU: L.7018 CDGA P4 SKF -- 7018 CDGA/P4A

SKF 7018 CDGA/P4A vřetenové ložisko


Varianta
€462,36
Včetně daně Doprava vypočtena při pokladně.

Popis

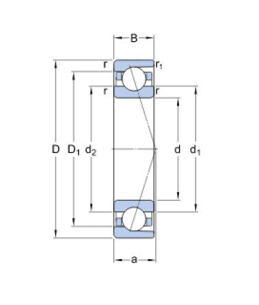
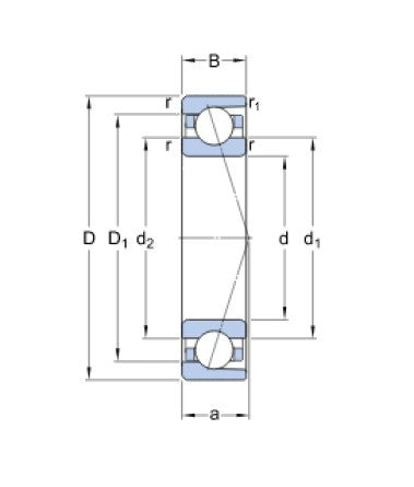
7018 CDGA/P4A SKF Kuličkové ložisko s kosoúhlým stykem

Parametry

Přesnost:

P4

Průměr D (mm):

90

Průměr D (mm):

140

Šířka A (mm):

27,5

Šířka B (mm):

24

Úhel ( ° ):

15°

Značení:

7018 CDGA/P4A

DOTAZ PRODEJCI

SKF

SKF 7018 CDGA/P4A vřetenové ložisko

€462,36

Varianta

  • Výchozí varianta
Zobrazit produkt