Váš nejspolehlivější B2B dodavatel na trhu!

SKF  |  SKU: L.7017 CDGA P4 SKF -- 7017 CDGA/P4A

SKF 7017 CDGA/P4A vřetenové ložisko


Varianta
€412,26
Včetně daně Doprava vypočtena při pokladně.

Popis

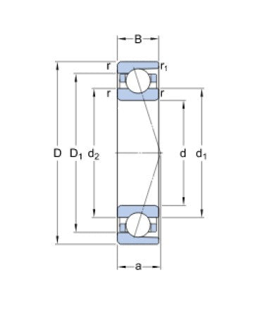
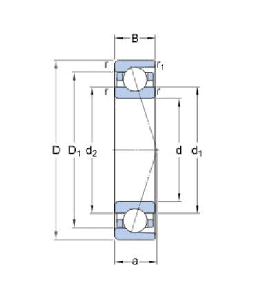
7017 CDGA/P4A SKF Kuličkové ložisko s kosoúhlým stykem

Parametry

Přesnost:

P4

Průměr D (mm):

85

Průměr D (mm):

130

Šířka A (mm):

25,5

Šířka B (mm):

22

Úhel ( ° ):

15°

Značení:

7017 CDGA/P4A

DOTAZ PRODEJCI

SKF

SKF 7017 CDGA/P4A vřetenové ložisko

€412,26

Varianta

  • Výchozí varianta
Zobrazit produkt