Váš nejspolehlivější B2B dodavatel na trhu!

SKF  |  SKU: L.7016 CDGA P4 SKF -- 7016 CDGA/P4A

SKF 7016 CDGA/P4A vřetenové ložisko


Varianta
€459,16
Včetně daně Doprava vypočtena při pokladně.

Popis

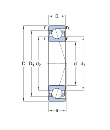
7016 CDGA/P4A SKF Kuličkové ložisko s kosoúhlým stykem

Parametry

Přesnost:

P4

Průměr D (mm):

80

Průměr D (mm):

125

Šířka A (mm):

24,8

Šířka B (mm):

22

Typ:

vřetenové ložisko

Úhel ( ° ):

15°

Značení:

7016 CDGA/P4A

DOTAZ PRODEJCI

SKF

SKF 7016 CDGA/P4A vřetenové ložisko

€459,16

Varianta

  • Výchozí varianta
Zobrazit produkt